products ➝ leaf springs
Leaf springs
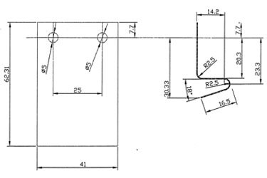
Leaf springs are generally not made of spring steel wire but from metal strips. We can manufacture small-scale to medium-scale series for you at our facility. Automated production requires special punching and bending equipment, which is designed in our in-house toolmaking department.
We can offer large-scale series in cooperation with our qualified partners.
Leaf spring application examples
- Vehicle wheel suspension
- Timepieces with spring mechanisms
Individual requirements
Specific shape
We design and develop special punching and bending equipment in accordance with existing design drawings for the manufacture of leaf springs.



DE
EN