Produkte ➝ Blattfedern
Blattfedern
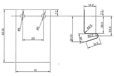
Blattfedern Fertigung - Blattfedern werden in der Regel nicht aus Federstahldraht, sondern aus Metallbändern gefertigt. Bei uns können Sie kleine bis mittlere Serien Blattfedern fertigen lassen. Die automatisierte Fertigung erfordert spezielle Stanz- und Biegevorrichtungen, die in unserem hauseigenen Werkzeugbau konstruiert werden.
Großserien bieten wir als Blattfedern Hersteller in Zusammenarbeit mit qualifizierten Kooperationspartnern an.
Blattfedern im Alltag
- Radaufhängung in Fahrzeugen
- Uhren mit Federantrieb
Individuelle Anforderungen bei der Blattfedern Fertigung
Spezifische Form
Für die Herstellung von Blattfedern konzipieren und konstruieren wir spezielle Stanz- und Biegevorrichtungen entsprechend der vorliegenden Konstruktionszeichnungen.



DE
EN